
泊头市良晟机械制造有限公司主要生产胀紧套,膜片联轴器,星形弹性联轴器,轮胎式联轴器,万向联轴器,鼓形齿式联轴器,梅花形弹性联轴器,链轮链条联轴器,刚性联轴器,弹性套柱销联轴器,弹性柱销联轴器,弹性柱销齿式联轴器,蛇形弹簧联轴器,联轴器配件,机架,搅拌器等系列产品,产品销售至各地,深受新老客户的青眯。
WH(原KL)滑块联轴器是无弹性元件联轴器的一种,主要用于允许两轴有径向偏移的联接,由两端面有凹槽的半联轴器和中间的方形滑块组成,利用中间滑块在其两侧半联轴器端面的相应径向槽内滑动,以实现两半联轴器联接。
WH型滑块连轴器又名金属十字滑块联轴器,其滑块呈圆环形,用钢或合金制成,适用于十字滑块联轴器的具体尺寸与技术参数转速较低,传递转矩较大的传动。十字滑块联轴器由两个在端面上开有凹槽的半联轴器和一个两面带有凸牙的中间盘组成。因凸牙可在凹槽中滑动,故可补偿安装及运转时两轴间的相对位移。滑块联轴器是由两个轴套和一个中心滑块组成。中心滑块作为一个传递扭矩元件通常由工程塑料制成,情况下可选择其它材料,比如金属材料。
WH型滑块连轴器与十字滑块联轴器结构相似,不同之处在于中间十字滑块为方形滑 十字滑块联轴器的具体尺寸与技术参数块,利用中间滑块在其两侧半联轴器端面的相应径向槽内滑动,以实现两半联轴器联接。该联轴器噪声大,效率低,磨损快,一般尽量不选用,只有转速很低的场合,本标准所规定的滑块联轴器,适用于油泵装置或其它传递扭矩较小的场合,具有 补偿两轴相对偏移量,减震和缓冲性能;其工作温度为-20~70°C。传递公称扭矩为16~500N.m。
WH型滑块连轴器噪声大,效率低,磨损快,一般尽量不选用,只有转速很低的场合,如球磨机等才选用。
为了平衡状况,螺栓应正、倒相间安装。夹壳联轴器不具备轴向、径向和角向的补偿性能。
许用补偿量:轴向△ x=1~2mm , 径向△ y ≤ 0.2mm ,角向△α≤ 40 ′转速≤ 300r/min。
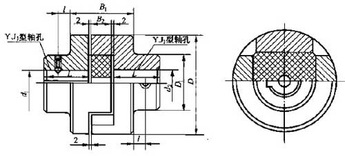
WH型滑块连轴器技术参数:
型号 | 公称转矩Tn(N.m) | 许用转速[n]r/min | 轴孔直径 | 轴孔长度 | D | D1 | B1 | B2 | l | 转动惯量Kg.m2 | 质量kg | |
d1 d2 | Y | J1 | ||||||||||
L | ||||||||||||
mm | ||||||||||||
WH1 | 16 | 10000 | 10,11 12,14 | 25-32 | 22-27 | 40 | 30 | 52 | 13 | 5 | 0.0007 | 0.6 |
32-42 | 27-30 | |||||||||||
WH2 | 31.5 | 8200 | 12,12,16,(17),18 | 50 | 32 | 56 | 18 | 5 | 0.0038 | 1.5 | ||
WH3 | 63 | 7000 | 16,(17),18,20,22 | 42-52 | 30-38 | 70 | 40 | 60 | 18 | 5 | 0.0063 | 1.8 |
52-62 | 38-44 | |||||||||||
WH4 | 160 | 5700 | 20,22,24,25,28 | 80 | 50 | 64 | 18 | 8 | 0.013 | 2.5 | ||
WH5 | 280 | 4700 | 25,28,30,32,35 | 62-82 | 44-60 | 100 | 70 | 75 | 23 | 10 | 0.045 | 5.8 |
82-112 | 60-84 | |||||||||||
WH6 | 500 | 3800 | 30,32,35,38,40,42,45 | 120 | 80 | 90 | 33 | 15 | 0.12 | 9.5 | ||
WH7 | 900 | 3200 | 40,42,45,48,50,55 | 112 | 84 | 150 | 100 | 120 | 38 | 25 | 0.43 | 25 |
112-142 | 84-107 | |||||||||||
WH8 | 1800 | 2400 | 50,55,60,63,65,70 | 190 | 120 | 150 | 48 | 25 | 1.98 | 55 | ||
WH9 | 3550 | 1800 | 65,70,75,80,85 | 172-212 | 132-167 | 330 | 190 | 180 | 58 | 40 | 4.9 | 85 |
172-212 | 132-167 | |||||||||||
WH10 | 5000 | 1500 | 80,85,90,95,100 | 330 | 190 | 180 | 58 | 40 | 7.5 | 120 |